Position:Home >> Product >> Gate Valve >> Flange Gate Valve

Product Introduction
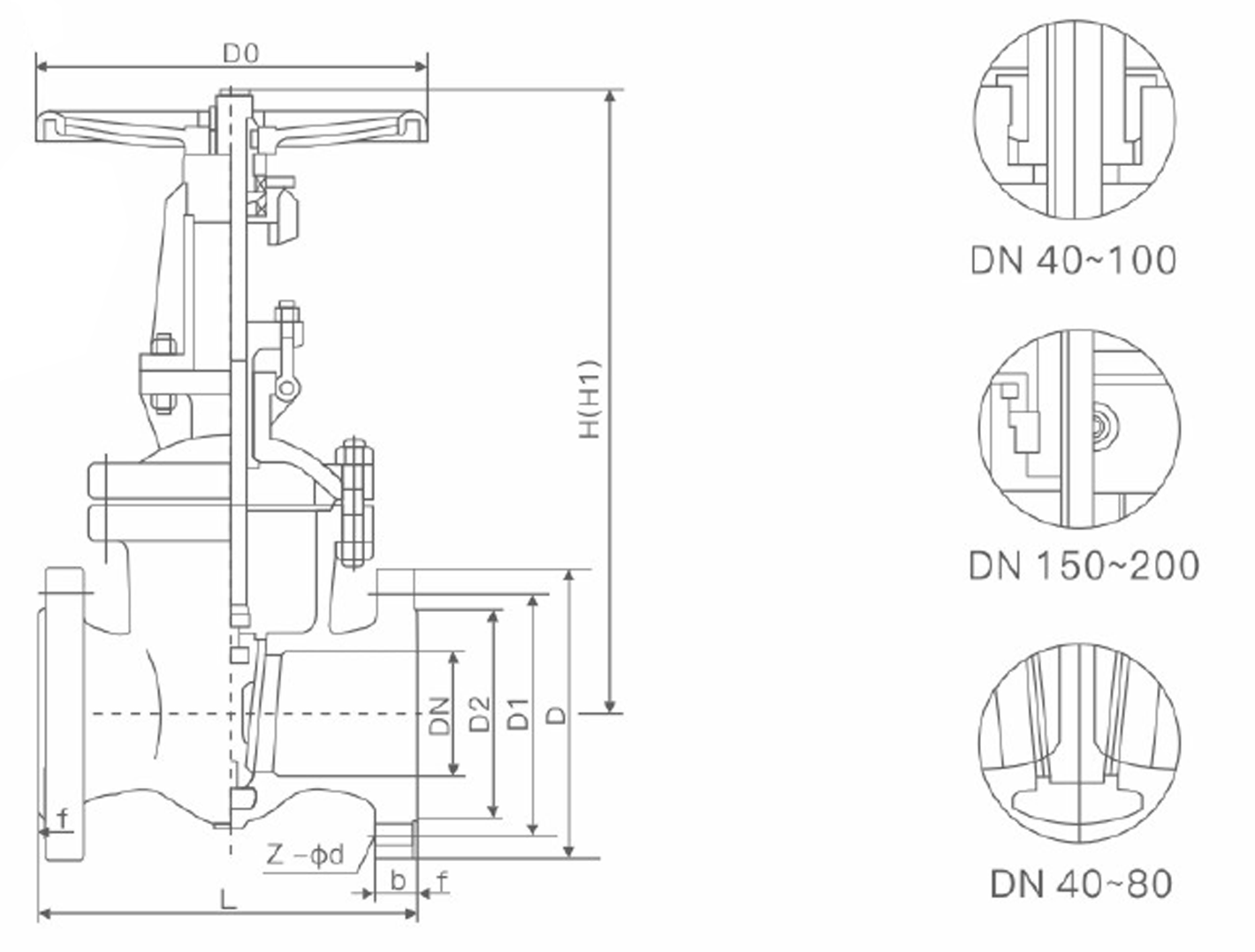
A flanged rising-stem gate valve is a valve in which the stem is raised and lowered vertically by rotating a handwheel or actuator, thereby actuating the gate disc to open and close. Its stem threads and stem nut are located outside the valve cavity, preventing contact with the med...
Category
News Center
A flanged rising-stem gate valve is a valve in which the stem is raised and lowered vertically by rotating a handwheel or actuator, thereby actuating the gate disc to open and close. Its stem threads and stem nut are located outside the valve cavity, preventing contact with the media. This valve is primarily used to connect or disconnect media in pipelines and is suitable for a variety of media, including water, steam, and oil.

To meet diverse control needs, YEKE provides you with comprehensive drive options: turbine heads for large-caliber, labor-saving adjustment, as well as precise electric actuators and efficient pneumatic actuators for automated control.
Key Features
Smooth flow:
The flange rising stem gate valve has a compact structure, reasonable design, and good valve rigidity. Its passage is smooth, the flow resistance coefficient is small, and the pressure loss when the medium passes through is small.
Easy operation and intuitive indication:
Because the valve stem threads are isolated from the medium, they are not easily corroded by the medium. The valve stem only moves up and down, making operation easy and flexible. The rise and fall of the valve stem directly indicates the valve opening, making the open and closed status clear at a glance.
Easy Maintenance:
Flange connection ensures easy and reliable installation.
Typical Applications
Petrochemical and power industries
Water supply and sewage treatment
Building and fire protection systems
Chemical process systems
Advantages
Intuitive opening and closing status
Easy and flexible operation
Low flow resistance, energy-efficient and efficient
Easy maintenance, low cost
E-mail: wellwang557757@163.com
Tel/WhatsApp: +86 18961557757 +86 18018362100
Address: No. 2, Fandao Fanxing Road,Gaocheng Town, Yixing City,Jiangsu Province
Copyright © 2026 YEKE All Rights Reserved.
About Us
Production Equipment
Certificate
YEKE Group&Service
Brand story&What we stand for
Products
Butterfly Valve
Ball Valve
Gate Valve
Check Valve
Control Valve
Cryogenic Valve
Valve Actuator
News and events
Events
News

Tel
+86 18961557757
+86 18018362100
Top