Position:Home >> Product >> Check Valve >> Swing check valve

Product Introduction
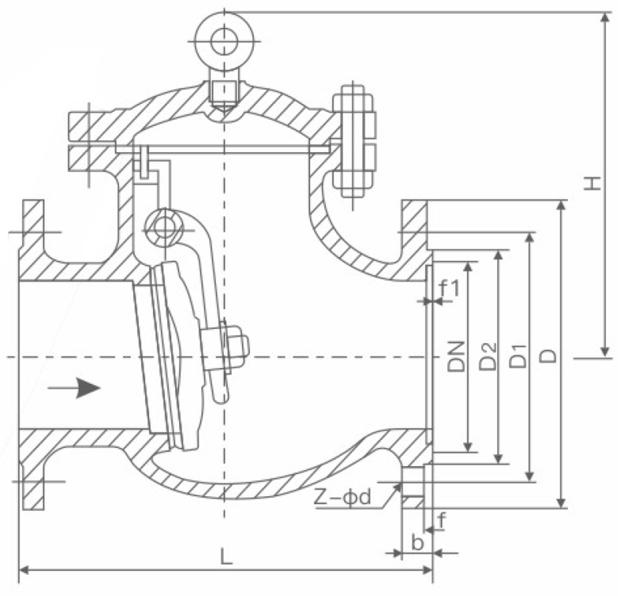
The flanged swing check valve is an automatic valve that relies on the medium's own power to automatically prevent reverse flow. It incorporates a disc (either a disc or gate) that rotates around an axis. This disc opens when the medium flows forward, while it closes automatically u...
Category
News Center
The flanged swing check valve is an automatic valve that relies on the medium's own power to automatically prevent reverse flow. It incorporates a disc (either a disc or gate) that rotates around an axis. This disc opens when the medium flows forward, while it closes automatically under the combined force of its own weight and the counterflowing medium during reverse flow. With its high flow capacity, minimal water hammer, and high reliability, this valve is a key device for protecting pumps, compressors, and pipeline equipment from damage caused by reverse flow.
Key Features
Fully automatic operation, safe and reliable:
Opening and closing are controlled entirely by the flow of the medium, requiring no external power or manual intervention.
Low flow resistance, high flow capacity:
The rocker-arm structure allows the disc to completely disengage from the flow channel when opened, resulting in a suspended state. This minimizes flow obstruction and reduces pressure loss.
Tight sealing:
The disc and seat seal typically utilize a metal-to-metal seal or an inlaid non-metallic soft sealing ring (such as NBR or EPDM) to ensure effective sealing even under reverse flow conditions and prevent internal leakage.
Typical Applications
Water supply and distribution pipelines
Wastewater and sewage systems
Pump discharge lines
Industrial fluid transport pipelines
Cooling water and HVAC systems
Advantages
Prevents backflow effectively
Smooth operation and gentle closing
Corrosion-resistant and durable materials
Compact and easy to install
Low maintenance requirements
Long-term reliable performance
E-mail: wellwang557757@163.com
Tel/WhatsApp: +86 18961557757 +86 18018362100
Address: No. 2, Fandao Fanxing Road,Gaocheng Town, Yixing City,Jiangsu Province
Copyright © 2026 YEKE All Rights Reserved.
About Us
Production Equipment
Certificate
YEKE Group&Service
Brand story&What we stand for
Products
Butterfly Valve
Ball Valve
Gate Valve
Check Valve
Control Valve
Cryogenic Valve
Valve Actuator
News and events
Events
News

Tel
+86 18961557757
+86 18018362100
Top