Position:Home >> Product >> Butterfly Valve >> Tripe Offset Butterfly Valve





Product Introduction
Our Flanged Triple-offset Butterfly Valve is a high-performance quarter-turn isolation valve engineered for demanding systems. With three precise offsets and a torque-seated metal seal, it delivers bubble-tight shutoff, minimal wear, and reliable performance under high temperature a...
Category
Our Flanged Triple-offset Butterfly Valve is a high-performance quarter-turn isolation valve engineered for demanding systems. With three precise offsets and a torque-seated metal seal, it delivers bubble-tight shutoff, minimal wear, and reliable performance under high temperature and pressure. Its flanged design ensures easy integration into standard pipeline systems.

To meet diverse control needs, YEKE provides you with comprehensive drive options: standard handles for manual operation, turbine heads for large-caliber, labor-saving adjustment, as well as precise electric actuators and efficient pneumatic actuators for automated control.
Key Features
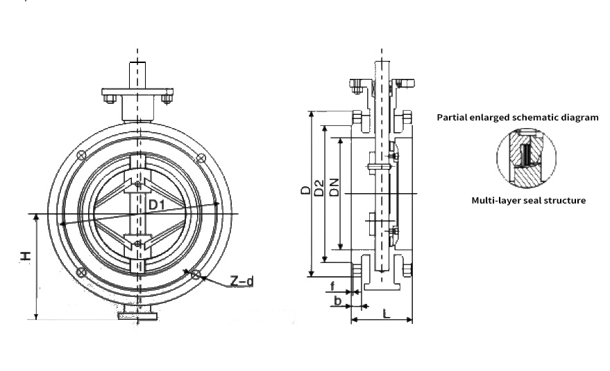
True Triple-Offset Geometry
The three offsets (shaft-to-body, shaft-to-seal surface, and conical sealing bias) eliminate contact until final closure, enabling non-rubbing engagement and prolonged life.
Metal-to-Metal, Torque-Seated Seal
Provides zero-leakage sealing under bidirectional pressure, resisting high temperature and pressure without relying on deformation of soft seats.
Low Operating Torque
Little friction during stroke allows compact actuators and smoother operation.
Flanged Construction
Compatible with ANSI, DIN, EN, or other flange standards for robust pipeline installation and full support.
Metal-to-Metal Sealing:
Precision-machined stainless steel or alloy seats provide bubble-tight shut-off under extreme pressure and temperature.
Typical Applications
Oil & gas processing and transmission
Refining, petrochemical & chemical plants
Steam, superheated vapor, and high-temperature utilities
Power generation (thermal, cogeneration)
LNG, cryogenics, and cryogenic fluids
Utility systems (heating, cooling, industrial media)
Advantages
Minimal seal wear due to non-contact until final closure
Long service life and low maintenance
Compact footprint with flange compatibility
Reduced actuator sizing thanks to low torque
Fire-safe and reliable under extreme conditions
Ease of maintenance via replaceable seats/seals
Suitable for both on/off and throttling control in harsh environments
E-mail: info@wiwawisa.com
Tel/WhatsApp: +86 18961557757 +86 18018362100
Address: No. 2, Fandao Fanxing Road,Gaocheng Town, Yixing City,Jiangsu Province
Copyright © 2025 YEKE All Rights Reserved.
About Us
Production Equipment
Certificate
YEKE Group&Service
Brand story&What we stand for
Products
Butterfly Valve
Ball Valve
Gate Valve
Check Valve
Control Valve
Cryogenic Valve
Valve Actuator
News and events
Events
News

Tel
+86 18961557757
+86 18018362100
Top